产品详情
ZN63(VS1)-12KV真空断路器
- 厂家信息
- 产品信息
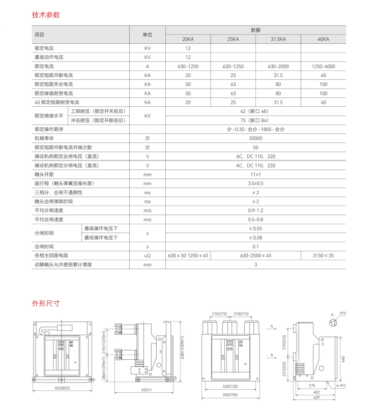
- 规格参数
- 技术文档
西安西高集团是以专业制造高低压输变电设备为核心,集科研、开发、制造、贸易为一体的大型企业集团。历经二十多年的拼搏与发展,西高集团已经成为我国高低压输配电设备和风力发电设备,光伏发电设备,新能源发电电力设备的生产制造基地。集团所属单位的主导产品包括0.4-220KV高低压成套开关设备、光伏开关站一次预制舱、 光伏预装式变电站、高压六氟化硫断路器、隔离开关、真空断路器、变压器、互感器、熔断器、氧化锌避雷器、TBP组合式过电压保护器、负荷开关、消谐器、穿墙套管等电力设备。本集团现有一批优秀的工程技术人员,拥有宽敞的净化生产区。
产品图片
ZN63(VS1)-12KV真空断路器



