产品详情
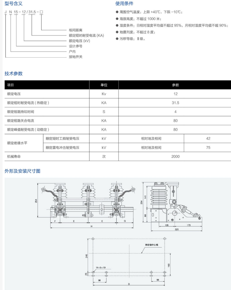
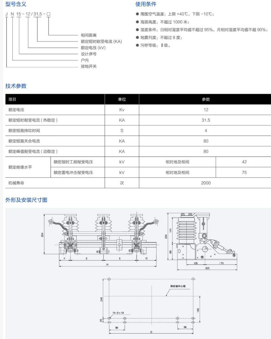
JN15-12/31.5 户内高压接地开关
- 厂家信息
- 产品信息
- 规格参数
- 技术文档
锐腾电气科技有限公司是生产与销售相结合的科技型企业,经营灵活,是集电力设备研发、生产,销售等于一体的现代化企业。公司位于浙江省乐清经济开发区,与被誉为中国电器之都,中国电气智能化小镇的电气产品集中地柳市镇仅3.6公里,与温州龙湾国际机场,乐清高铁站,G15高速公路毗邻,便捷的交通助力企业更好的发展。
本公司主要生产高低压成套设备、控制柜,控制箱,箱式变电站、紧凑型预装式变电站,无功补偿及有源滤波设备,电力变压器、直流屏,电器电力元件等系列产品。
公司自创建以来,实施了高起点、高质量、高水平的“三高战略”,拥有一流的人才,一流的技术,一流的设备,严谨科学的质量管理体系,实行严格的科学管理,公司拥有先进的技术和现代化的生产设备,产品广泛适用于火电、水电、输配电、化工、矿山、油田、城乡电网改造及其它项目的配套使用。公司全面推行“用户满意工程”,专门成立了一支技术过硬的售后服务队伍,为客户解决各种技术难题,做到急客户之所急,想客户之所想。
产品图片
JN15-12/31.5 户内高压接地开关

产品简介
JN15-12/31.5型户内高压接地开关是我公司根据ES1型接地开关原型设计开发的一种具有国际先进水平的新型接地开关。结构形式为组装式,其性能符合GB1985-2004《交流高压隔离开关和接地开关》及lEC129的要求,适用于户内3~12Kv三相交流50(60)Hz的电力系统中:它具有一定的关合能力以保护开关设备内其它电气设备不受损坏,可与各种高压开关柜配套使用,作为高压电器设备检修时的接地保护。


