产品详情
DFW-12低压电缆分支箱
- 厂家信息
- 产品信息
- 规格参数
- 技术文档
合肥伊斯特电气有限公司是一家集研发、设计、生产、销售、服务于一体的专业现代化科技企业。主要从事输配电高低压成套设备的研发、生产、销售与维护等。公司的主要产品有高压开关柜、低压开关柜、配电箱、终端箱、箱式变电站等系列产品。
合肥伊斯特电气有限公司积极投身于电气行业,公司拥有专业化的工程师与技术人员。本着“诚信为本、客户至上”的原则以专业化、高效化、高质量为用户提供较好的产品与服务。公司十分重视产品的质量,以质取胜,是我们的一贯作风,保证产品的质量也是企业的责任和义务。
本公司高压开关柜及箱式变电站等产品已通过试验站实验验证并取得相关实验报告;低压开关柜、配电箱、终端箱等已取得国家颁发的CCC证书,所有产品均符合国家现行的各项标准。
产品图片
DFW-12低压电缆分支箱

概述
DFW-12低压电纳分支箱箱体采用 DFW 复合材料经高温模压成型,具有良好的抗冲击、抗曲强度、抗老化、耐磨、耐腐、耐电弧、高阻燃、绝缘强度高、安装便利等优点,能够满足户外工程项目中各种恶劣环境和场所的需要,适用于城乡电网改造、市政工程、居民小区及高层建筑等公共场所的输配电,作为控制和保护之用。
使用环境
• 周围环境温度不高于+45℃、不低于-35℃,24h的平均温差不得大于35℃;
• 使用地点的海拔高度不超过5000m;
• 周围空气对湿度在最高温度为+45℃时不超过 50%,在较低温度使用时允许有较大的相对湿度(+22℃时为 80%)应考虑到由于温度的变化可能会偶然产生凝露的影响;
• 设备应安装在无剧烈震动和冲击的地方,以及不足使电器元件受到腐蚀的场所;
• 特殊环境条件下使用,应由用户和我公司协商解决。

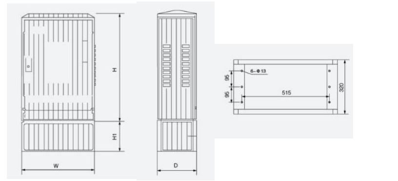
外形及尺寸(mm)

| 名称 | 高度H1+H | 宽度W | 深度D |
| DFW 低压电缆分支箱 | 870 | 600 | 320 |
| DFW低压电缆分支箱(落地式) | 870+280 | 600 | 320 |
| DFW 低压电缆分支箱 | 870 | 800 | 320 |
| DFW低压电缆分支箱(落地式) | 870+280 | 800 | 320 |
| DFW低压电缆分支箱(落地式) | 870+280 | 1000 | 320 |
使用环境
• 周围环境温度不高于+45℃、不低于-35℃,24h的平均温差不得大于35℃;
• 使用地点的海拔高度不超过5000m;
• 周围空气对湿度在最高温度为+45℃时不超过 50%,在较低温度使用时允许有较大的相对湿度(+22℃时为 80%)应考虑到由于温度的变化可能会偶然产生凝露的影响;
• 设备应安装在无剧烈震动和冲击的地方,以及不足使电器元件受到腐蚀的场所;
• 特殊环境条件下使用,应由用户和我公司协商解决。

外形及尺寸(mm)

| 名称 | 高度H1+H | 宽度W | 深度D |
| DFW 低压电缆分支箱 | 870 | 600 | 320 |
| DFW低压电缆分支箱(落地式) | 870+280 | 600 | 320 |
| DFW 低压电缆分支箱 | 870 | 800 | 320 |
| DFW低压电缆分支箱(落地式) | 870+280 | 800 | 320 |
| DFW低压电缆分支箱(落地式) | 870+280 | 1000 | 320 |
