产品详情
云母带矿物绝缘波纹铜护套电缆
- 厂家信息
- 产品信息
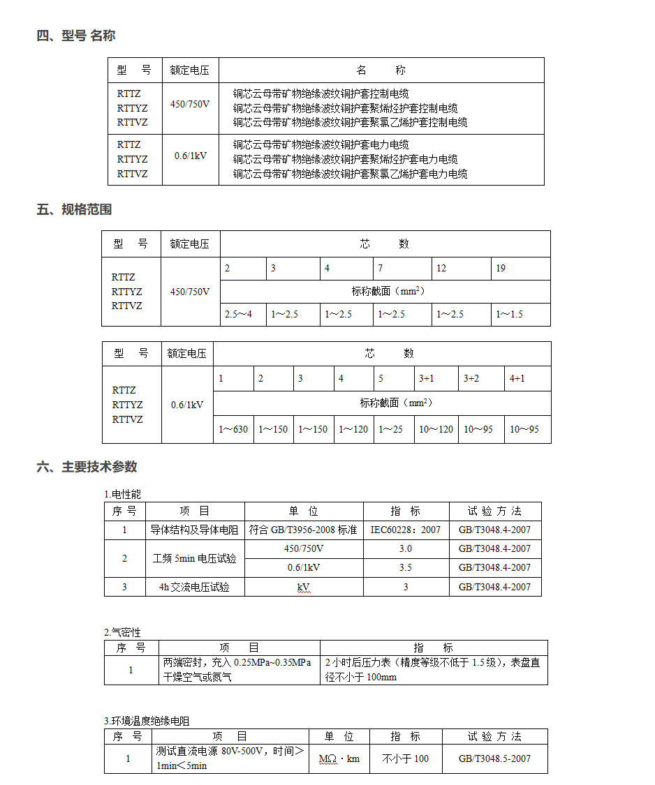
- 规格参数
- 技术文档
辽宁科瑞德电缆有限公司是集设计、研发、制造、销售为一体的电线电缆专业化企业。公司位于辽宁省沈阳市沈北新区,占地面积36000平方米,建筑面积27000平方米,注册资金6000万人民币。
公司已取得全国工业产品生产许可证、国家强制性产品CCC认证、美国UL认证、欧盟CE认证、德国VDE认证、德国TUV认证;已通过ISO9001质量管理体系认证,ISO14001环境管理体系认证。
公司专业生产《海飞达》牌计算机仪表电缆、氟塑料耐高温电缆、硅橡胶耐热电缆、补偿导线(电缆)、同轴射频电缆、屏蔽信号电缆、柔性拖链电缆、机器人电缆、扁平电梯电缆、光伏风力发电(机组)电缆、船舶用电缆、轨道交通用电缆、核电站用电缆、电机绕组引接电缆、钢包车拖拽电缆、波纹铜护套电缆、工业自动化电缆、安装电缆、控制电缆、电力电缆、无卤低烟辐照交联电缆及具有阻燃、耐火、无卤、本安等特性共21个系列万余种规格。载三十余年历程,依靠先进的生产设备,完善的检测设备,以稳定可靠的产品质量和良好的售后服务为石化、电力、冶金、机械、电子、制药、煤炭、水泥、建筑、交通、能源、环保、自动化、消防工程等行业和科研部门、国家重点工程提供了大量的产品,并出口到欧美等十几个国家和地区。
产品图片
云母带矿物绝缘波纹铜护套电缆

产品描述
一、适用范围
本产品用于额定电压0.6/1kV及以下,商场、医院、高层建筑、地铁、机场等重要防火部位受着火蔓延影响或火灾直接影响的电力传输及控制、监控回路及保护线路等特殊场合。
二、执行标准
GB/T34926-2017
GB/T19666-2005
三、使用特性
1.导体最高工作温度:90℃。
2.短路时(最长持续时间不超过5s),最高工作温度不超过250℃。
3.安装时最小弯曲半径:6×电缆外径~20×电缆外径。


