产品详情
变频器专用电力电缆
- 厂家信息
- 产品信息
- 规格参数
- 技术文档
辽宁科瑞德电缆有限公司是集设计、研发、制造、销售为一体的电线电缆专业化企业。公司位于辽宁省沈阳市沈北新区,占地面积36000平方米,建筑面积27000平方米,注册资金6000万人民币。
公司已取得全国工业产品生产许可证、国家强制性产品CCC认证、美国UL认证、欧盟CE认证、德国VDE认证、德国TUV认证;已通过ISO9001质量管理体系认证,ISO14001环境管理体系认证。
公司专业生产《海飞达》牌计算机仪表电缆、氟塑料耐高温电缆、硅橡胶耐热电缆、补偿导线(电缆)、同轴射频电缆、屏蔽信号电缆、柔性拖链电缆、机器人电缆、扁平电梯电缆、光伏风力发电(机组)电缆、船舶用电缆、轨道交通用电缆、核电站用电缆、电机绕组引接电缆、钢包车拖拽电缆、波纹铜护套电缆、工业自动化电缆、安装电缆、控制电缆、电力电缆、无卤低烟辐照交联电缆及具有阻燃、耐火、无卤、本安等特性共21个系列万余种规格。载三十余年历程,依靠先进的生产设备,完善的检测设备,以稳定可靠的产品质量和良好的售后服务为石化、电力、冶金、机械、电子、制药、煤炭、水泥、建筑、交通、能源、环保、自动化、消防工程等行业和科研部门、国家重点工程提供了大量的产品,并出口到欧美等十几个国家和地区。
产品图片
变频器专用电力电缆

产品描述
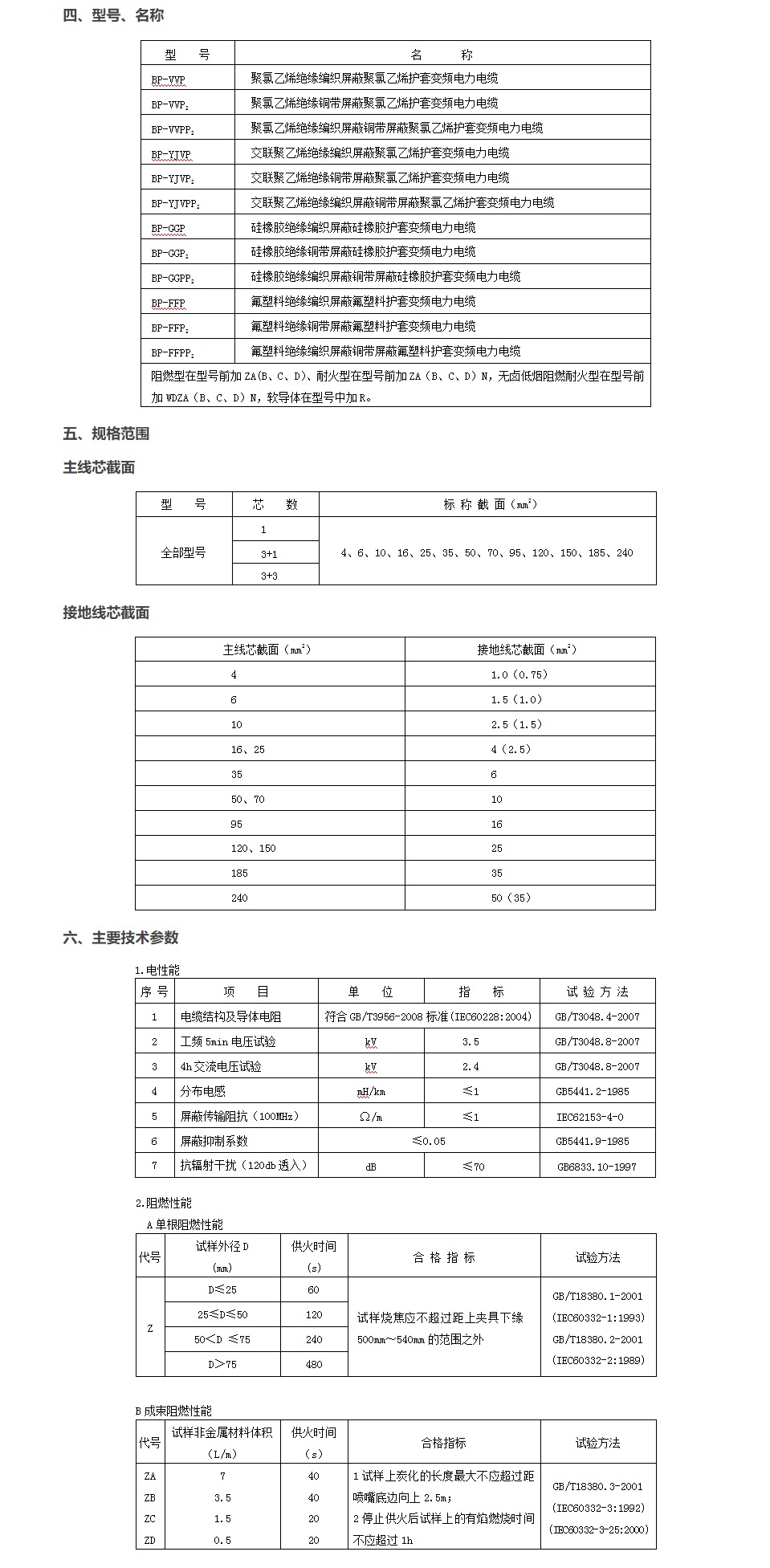
一、应用范围
本产品用于额定电压0.6/1kV及以下变频、控制系统供电或电气连接。具有良好的屏蔽性,能经受变频时脉冲电压,消除电磁干扰,保证系统安全、稳定运行。
二、执行标准
Q/KRD-03-2010
GB/T12706.1-2008 (等同IEC60502)
GB/T19666-2005 (等同IEC60331、60332)
三、使用特性
1.导体最高工作温度:聚氯乙烯绝缘、丁腈聚氯乙烯绝缘 70℃、交联聚乙烯绝缘90℃、硅橡胶绝缘180℃、聚全氟乙丙烯(FEP)绝缘200℃。
2.短路时(最长持续时间不超过5s)最高工作温度:聚氯乙烯、丁腈聚氯乙烯绝缘不超过160℃,交联聚乙烯绝缘不超过250℃,硅橡胶绝缘不超过350℃。
3.安装敷设时环境温度:聚氯乙烯护套不低于0℃,丁腈聚氯乙烯、硅橡胶、聚全氟乙丙烯护套不低于-25℃。
4.安装敷设时最小弯曲半径:聚氯乙烯、丁腈聚氯乙烯护套15×电缆外径,硅橡胶护套12×电缆外径,聚全氟乙丙烯护套15×电缆外径。


