产品详情
交联聚乙烯绝缘电力电缆
- 厂家信息
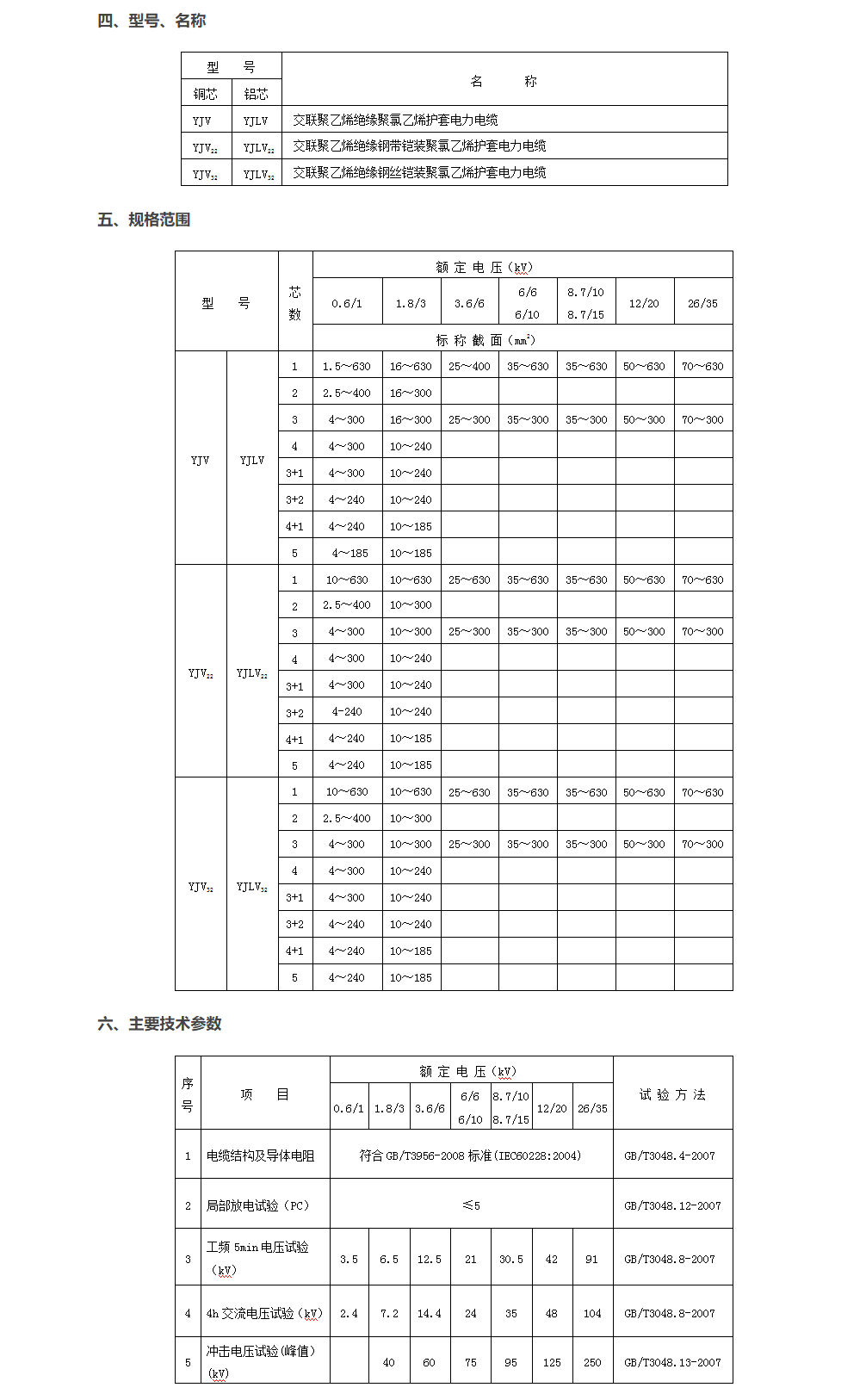
- 产品信息
- 规格参数
- 技术文档
辽宁科瑞德电缆有限公司是集设计、研发、制造、销售为一体的电线电缆专业化企业。公司位于辽宁省沈阳市沈北新区,占地面积36000平方米,建筑面积27000平方米,注册资金6000万人民币。
公司已取得全国工业产品生产许可证、国家强制性产品CCC认证、美国UL认证、欧盟CE认证、德国VDE认证、德国TUV认证;已通过ISO9001质量管理体系认证,ISO14001环境管理体系认证。
公司专业生产《海飞达》牌计算机仪表电缆、氟塑料耐高温电缆、硅橡胶耐热电缆、补偿导线(电缆)、同轴射频电缆、屏蔽信号电缆、柔性拖链电缆、机器人电缆、扁平电梯电缆、光伏风力发电(机组)电缆、船舶用电缆、轨道交通用电缆、核电站用电缆、电机绕组引接电缆、钢包车拖拽电缆、波纹铜护套电缆、工业自动化电缆、安装电缆、控制电缆、电力电缆、无卤低烟辐照交联电缆及具有阻燃、耐火、无卤、本安等特性共21个系列万余种规格。载三十余年历程,依靠先进的生产设备,完善的检测设备,以稳定可靠的产品质量和良好的售后服务为石化、电力、冶金、机械、电子、制药、煤炭、水泥、建筑、交通、能源、环保、自动化、消防工程等行业和科研部门、国家重点工程提供了大量的产品,并出口到欧美等十几个国家和地区。
产品图片
交联聚乙烯绝缘电力电缆

产品描述
一、应用范围
本产品用于额定电压35kV及以下电网或工业装置中。具有工作温度高、载流量大、结构简单、重量轻、敷设不受落差限制、介损小、耐化学腐蚀和环境应力好、维护方便等特点。
二、执行标准
GB/T12706.1~3-2008(等同IEC60502)
三、使用特性
1.导体最高工作温度90℃。
2.短路时(最长持续时间不超过5s)最高工作温度不超过250℃。
3.安装敷设时环境温度不低于0℃。
4.安装敷设时最小弯曲半径:单芯20×电缆外径,单芯铠装15×电缆外径,多芯15×电缆外径,多芯铠装12×电缆外径。


