YTVB-12/630-25户内快速高压真空断路器
- 厂家信息
- 产品信息
- 规格参数
- 技术文档
产品图片
户内快速高压真空断路器 YTVB-12/630-25

产品简述:
YTVB-12/M630-25型户内高压真空断路器采用三相直动式记忆磁材机构,动作速度快,驱动电流小,弹跳小,机械性能稳定,操作过电压低,可分相控制,分相合分闸,便于实现同步开关电流过零点开断,电压过零点关合,大大提高开关电寿命,降低操作过电压,提高开关使用寿命。开关机构集成分闸和超程弹簧,整体结构简单,形体小巧,零部件少,故障率低,广泛应用于主动干预性消弧柜,接地故障信号源柜,也可应用于电容器组投切,电机、电抗器件投切。适用于工矿企业、发电厂及变电站电气设施的保护和控制之用。广泛用于环网柜断路器单元。适用于控制各种不同性质的负荷及频繁操作的场合。
使用条件:
| a | 环境温度: | 最高温度:﹢50℃; 最低温度:﹣25℃。 |
| b | 海拔: | 设备安装场所的最大海拔高度1000m。 |
| c | 湿度: | 日平均值不大于95%; 月平均值不大于90%。 |
| d | 蒸气压: | 日平均饱和蒸气压不大于2.2×10-3MPa; 月平均饱和蒸气压不大于1.8×10-3MPa。 |
| e | 地震: | 地震烈度不超过8度。 |
| f | 周围空气应不受腐蚀性或可燃气体、水蒸气等明显污染。 | |
| g | 无严重污秽及经常性的剧烈振动,严酷使用条件下严酷度设计满足I类要求。 | |
主要技术参数如下:
电气技术参数
序号 | 参数名称 | 单位 | 参数值 |
| 1 | 额定电压 | kV | 12 |
| 2 | 额定电流 | A | 630 |
| 3 | 额定频率 | Hz | 50 |
| 4 | 短时工频耐受电压(1min) | kV | 断口48,相间、对地42 |
| 5 | 雷电冲击耐受电压 | kV | 断口85,相间、对地75 |
| 6 | 额定短路开断电流 | kA | 25 |
| 7 | 额定短路关合电流 | kA | 63 |
| 8 | 额定短时耐受电流(4S) | kA | 25 |
| 9 | 额定峰值耐受电流 | kA | 63 |
| 10 | 额定单个电容器组开断电流 | A | 630 |
| 11 | 额定背对背电容器组开断电流 | A | 400 |
| 12 | 额定电缆充电开断电流 | A | 25A,48 次,C2 级 |
| 13 | 额定短路开断电流开断次数 | 次 | 30 |
| 14 | 额定操作顺序 | O—0.3s—CO—180s—CO | |
| 15 | 机械寿命 | 次 | 30000 |
| 16 | 触头允许磨损厚度 | mm | 3 |
机械特性参数表:
序号 | 参数名称 | 单位 | 参数值 |
| 1 | 触头开距 | mm | 8±1 |
| 2 | 接触行程 | mm | 2±0.5 |
| 3 | 三相合、分闸同期性 | ms | ≤2 |
| 4 | 合闸触头弹跳时间 | ms | ≤2 |
| 5 | 相间中心距 | mm | 150±1 210±1 |
| 6 | 分闸速度(刚分4mm) | m/s | 0.8~1.4 |
| 7 | 合闸速度(刚合4mm) | m/s | 0.5~1.0 |
| 8 | 分闸时间 | ms | 5~10 |
| 9 | 合闸时间 | ms | 15~30 |
| 10 | 合闸触头接触压力 | N | 1800±200 |
| 11 | 每相主回路电阻(不大于) | μΩ | ≤30 |
结构特点:
产品特点:
● 结构简单:三相直动式结构,每相单稳态独立磁力机构,机构内集成分闸簧,超程簧。
● 动作速度快、机械特性稳定,弹跳小:分闸时间≤8ms;合闸时间≤15ms;分合闸时间偏差≤1ms
● 功耗超低:电容贮能功率≤30W,单相合闸峰值电流≤7A;单相分闸峰值电流≤3.5A
● 永磁材料性能稳定、可靠:退磁温度≥175℃
● 控制可靠:军品级驱动器、储能电容及线路板运行可靠,抗电磁干扰性能优异。
● 寿命超长:机构寿命长达10万次以上
● 安装灵活:产品安装灵活,可实现正装、侧装、倒装、水平安装。
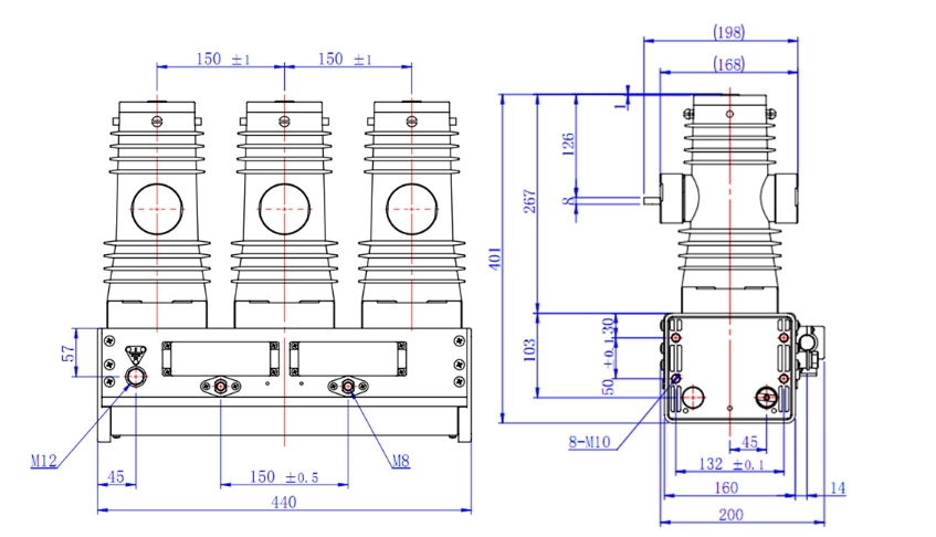
外形尺寸:

备注:单相断路器可定做,电气参数和机械参数与三相一致,极柱分环网柜型和空气绝缘性可选。
产品简述:
YTVB-12/M630-25型户内高压真空断路器采用三相直动式记忆磁材机构,动作速度快,驱动电流小,弹跳小,机械性能稳定,操作过电压低,可分相控制,分相合分闸,便于实现同步开关电流过零点开断,电压过零点关合,大大提高开关电寿命,降低操作过电压,提高开关使用寿命。开关机构集成分闸和超程弹簧,整体结构简单,形体小巧,零部件少,故障率低,广泛应用于主动干预性消弧柜,接地故障信号源柜,也可应用于电容器组投切,电机、电抗器件投切。适用于工矿企业、发电厂及变电站电气设施的保护和控制之用。广泛用于环网柜断路器单元。适用于控制各种不同性质的负荷及频繁操作的场合。
使用条件:
| a | 环境温度: | 最高温度:﹢50℃; 最低温度:﹣25℃。 |
| b | 海拔: | 设备安装场所的最大海拔高度1000m。 |
| c | 湿度: | 日平均值不大于95%; 月平均值不大于90%。 |
| d | 蒸气压: | 日平均饱和蒸气压不大于2.2×10-3MPa; 月平均饱和蒸气压不大于1.8×10-3MPa。 |
| e | 地震: | 地震烈度不超过8度。 |
| f | 周围空气应不受腐蚀性或可燃气体、水蒸气等明显污染。 | |
| g | 无严重污秽及经常性的剧烈振动,严酷使用条件下严酷度设计满足I类要求。 | |
主要技术参数如下:
电气技术参数
序号 | 参数名称 | 单位 | 参数值 |
| 1 | 额定电压 | kV | 12 |
| 2 | 额定电流 | A | 630 |
| 3 | 额定频率 | Hz | 50 |
| 4 | 短时工频耐受电压(1min) | kV | 断口48,相间、对地42 |
| 5 | 雷电冲击耐受电压 | kV | 断口85,相间、对地75 |
| 6 | 额定短路开断电流 | kA | 25 |
| 7 | 额定短路关合电流 | kA | 63 |
| 8 | 额定短时耐受电流(4S) | kA | 25 |
| 9 | 额定峰值耐受电流 | kA | 63 |
| 10 | 额定单个电容器组开断电流 | A | 630 |
| 11 | 额定背对背电容器组开断电流 | A | 400 |
| 12 | 额定电缆充电开断电流 | A | 25A,48 次,C2 级 |
| 13 | 额定短路开断电流开断次数 | 次 | 30 |
| 14 | 额定操作顺序 | O—0.3s—CO—180s—CO | |
| 15 | 机械寿命 | 次 | 30000 |
| 16 | 触头允许磨损厚度 | mm | 3 |
机械特性参数表:
序号 | 参数名称 | 单位 | 参数值 |
| 1 | 触头开距 | mm | 8±1 |
| 2 | 接触行程 | mm | 2±0.5 |
| 3 | 三相合、分闸同期性 | ms | ≤2 |
| 4 | 合闸触头弹跳时间 | ms | ≤2 |
| 5 | 相间中心距 | mm | 150±1 210±1 |
| 6 | 分闸速度(刚分4mm) | m/s | 0.8~1.4 |
| 7 | 合闸速度(刚合4mm) | m/s | 0.5~1.0 |
| 8 | 分闸时间 | ms | 5~10 |
| 9 | 合闸时间 | ms | 15~30 |
| 10 | 合闸触头接触压力 | N | 1800±200 |
| 11 | 每相主回路电阻(不大于) | μΩ | ≤30 |
结构特点:
产品特点:
● 结构简单:三相直动式结构,每相单稳态独立磁力机构,机构内集成分闸簧,超程簧。
● 动作速度快、机械特性稳定,弹跳小:分闸时间≤8ms;合闸时间≤15ms;分合闸时间偏差≤1ms
● 功耗超低:电容贮能功率≤30W,单相合闸峰值电流≤7A;单相分闸峰值电流≤3.5A
● 永磁材料性能稳定、可靠:退磁温度≥175℃
● 控制可靠:军品级驱动器、储能电容及线路板运行可靠,抗电磁干扰性能优异。
● 寿命超长:机构寿命长达10万次以上
● 安装灵活:产品安装灵活,可实现正装、侧装、倒装、水平安装。
