产品详情
VS1-12G侧装固封式高压真空断路器
- 厂家信息
- 产品信息
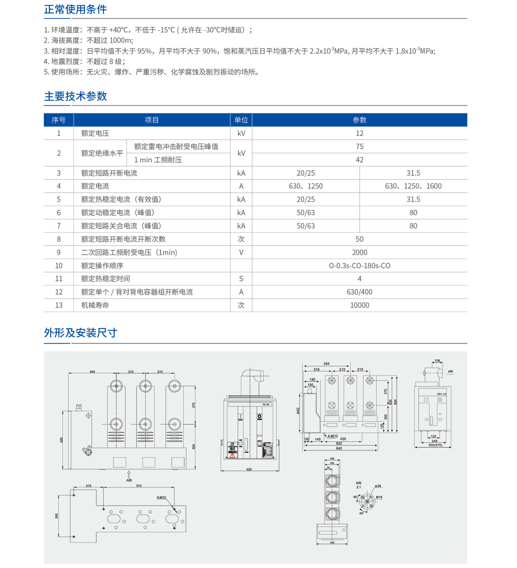
- 规格参数
- 技术文档
浙江金为电力设备有限公司,是一家以智能电网配网设备研发、生产、销售及智能运维、电力工程设计及技术服务为一体的多元化现代企业。
响应国家碳中和碳排放的号召,主要产品包括:电力储能电站及配套设备,智能柱上断路器、数字化环网柜、熔断器开关、电力金具、电缆附件、铸铁箱球体、球墨铸造等,广泛应用于电力,建筑,能源,工业,交通等领域,是国家电网、南方电网以及石油、化工、钢铁、煤矿、交通等用户企业的可靠的合作伙伴。
公司本着:“精诚所至,金石为开”的创业宗旨。坚持以科技研发及自主创新为发展动力,逐步形成完善的技术服务体系,在北京、天津、山东、安徽、河南、湖南、上海、江西、云南等多地设立办事处,业务及服务辐射国内及全球。始终以成为国内卓越的供电服务商为愿景,让电网更安全,更可靠,更智慧。
产品图片
VS1-12G侧装固封式高压真空断路器


VS1-12G系列侧装固封式高压真空断路器系户内高压开关设备,适用于额定电压12kV、频率50Hz的三相电力系统中,作为保护和控制电器使用,由于真空断路器的特殊优越性,尤其适用于需要额定电流下频繁操作或多次开断短路电流的场所。
VS1-12G系列侧装固封式高压真空断路器采用固定式安装,主要用于固定式开关柜,该断路器既可单独使用,又可用于环网供电、箱式变或各种非标供电系统。




