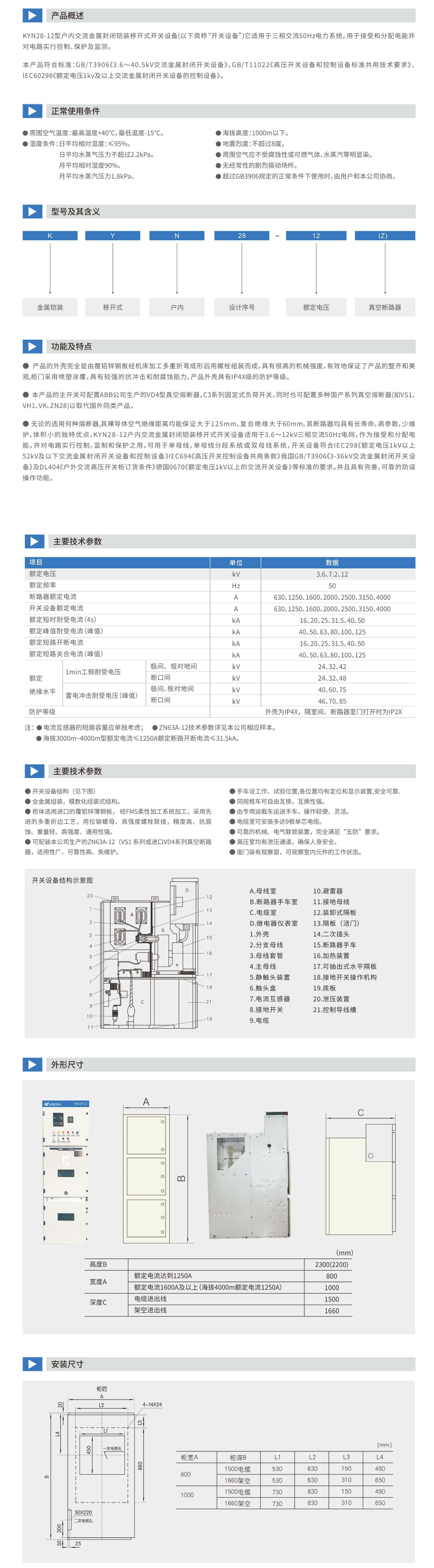
产品详情
KYN28-12户内交流金属封闭铠装移开式开关设备
- 厂家信息
- 产品信息
- 规格参数
- 技术文档
浙江以圣电力科技有限公司是一家专业制造科技型、智能型、环保型的高低压成套设备、箱式变电站、电缆分支箱及各种低压配电箱等电力控制装置和电力设备维修的综合性企业。
公司以科技创新促进企业发展,视质量为企业生命,坚持可持续发展战略,以产品的可靠性和美观外形赢得市场。
公司拥有先进电力专业试验设备、高低压成套开关设备、精密试验设备、全自动生产线和生产安装、钣金加工经验丰富的专业团队,使得我们打造行业精品成为可能。公司坚持用户至上的基本原则,为满足市场需求,加大新产品研发的技术资本投入。
公司坚持以质量求生存、靠科技求发展、向管理要效益的经营理念,并以质量优良、服务周到、信义为本和永不自满的经营方针与新老客户携手同心、共创辉煌。
产品图片
KYN28-12户内交流金属封闭铠装移开式开关设备



