高压电器用空心瓷绝缘子
- 厂家信息
- 产品信息
- 规格参数
- 技术文档
产品图片
高压电器用空心瓷绝缘子
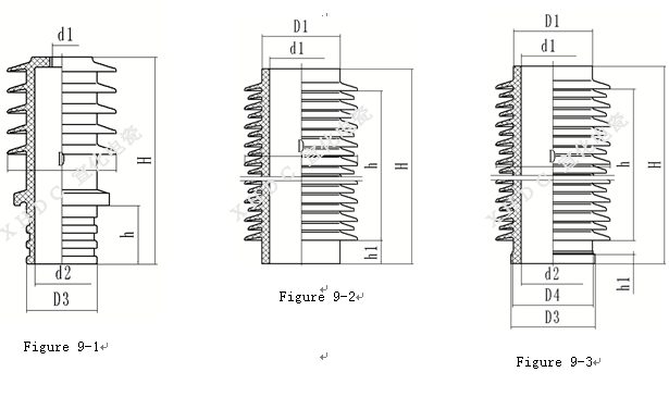
互感器瓷套
主要参数
额定电压 40.5~550 kV
爬电比距 25~31 mm/kV
内压破坏负荷 0.5~6.0 MPa
产品特点
为保证高压电器机械强度和热稳定性的要求,与之配套的瓷套具有较高的内压强度、抗弯强度和长期的运行可靠性,为此我们采用了氧化铝含量较高的高强瓷配方。为保证高压电器的密封要求,瓷套两端均进行高精度研磨加工。根据图纸及标准的要求,瓷套出厂前除进行外观尺寸、形位公差、超声波探伤检测外,还逐只进行内压试验和四向抗弯试验及电气试验等。
宣化电瓷生产的高压瓷绝缘子外形美观、釉色纯正、结构合理、抗冷热性能好、耐低温严寒性能强、抗地震性能好、机械强度高、耐污性能好、无线电干扰低、运行安全可靠。
适用范围、使用条件及分类
瓷套按所配套的高压电器不同,可分为电压互感器套管、电流互感器套管、电容器套管、变压器套管、断路器套管、氧化锌避雷器瓷套、电缆终端套管等。
高压电器瓷套适用于工频交直流系统额定电压为40.5~220kV的电站电器设备,高压瓷套是高压电器设备的关键配件,主要用作高压电器的支持、承压和绝缘。
瓷套安装地点海拔不超过1,000米;部分瓷套可用于海拔不超过4,000米的地区,环境温度在-40~+40℃。 瓷套按照高压电器的要求设计为污秽等级Ⅲ级、Ⅳ级水平。
结构特点
瓷套由瓷件与上下金属附件用水泥胶合剂胶装而成。瓷件表面上棕色釉,也可根据用户要求烧制成白色釉或灰色釉。 金属附件一般采用铸铝合金或球墨铸铁材质,铸铝合金法兰表面应顾客要求可进行阳极氧化处理,球墨铸铁法兰表面进行热镀锌处理。
耐污型及耐重污型瓷套的伞形采用了经人工污秽试验优选的大小伞相间的平伞形结构和伞下带棱的伞形结构,伞形设计完全符合lEC60815,由于小伞处于大伞的保护之下不易受污染,且大伞间间距较大,改善了伞间放电特性,提高了瓷套的耐污性能。有的瓷套还设计了带断水伞的结构。经污秽试验及长期运行,我公司生产的瓷套可适用于0.036~0.15 mg/cm2盐密条件下使用。




高压电器用空心瓷绝缘子
避雷器瓷套
主要参数
额定电压 40.5~550 kV
爬电比距 25~31 mm/kV
内压破坏负荷 0.5~6.0 MPa
产品特点
为保证高压电器机械强度和热稳定性的要求,与之配套的瓷套具有较高的内压强度、抗弯强度和长期的运行可靠性,为此我们采用了氧化铝含量较高的高强瓷配方。为保证高压电器的密封要求,瓷套两端均进行高精度研磨加工。根据图纸及标准的要求,瓷套出厂前除进行外观尺寸、形位公差、超声波探伤检测外,还逐只进行内压试验和四向抗弯试验及电气试验等。
宣化电瓷生产的高压瓷绝缘子外形美观、釉色纯正、结构合理、抗冷热性能好、耐低温严寒性能强、抗地震性能好、机械强度高、耐污性能好、无线电干扰低、运行安全可靠。
适用范围、使用条件及分类
瓷套按所配套的高压电器不同,可分为电压互感器套管、电流互感器套管、电容器套管、变压器套管、断路器套管、氧化锌避雷器瓷套、电缆终端套管等。
高压电器瓷套适用于工频交直流系统额定电压为40.5~220kV的电站电器设备,高压瓷套是高压电器设备的关键配件,主要用作高压电器的支持、承压和绝缘。
瓷套安装地点海拔不超过1,000米;部分瓷套可用于海拔不超过4,000米的地区,环境温度在-40~+40℃。 瓷套按照高压电器的要求设计为污秽等级Ⅲ级、Ⅳ级水平。
结构特点
瓷套由瓷件与上下金属附件用水泥胶合剂胶装而成。瓷件表面上棕色釉,也可根据用户要求烧制成白色釉或灰色釉。 金属附件一般采用铸铝合金或球墨铸铁材质,铸铝合金法兰表面应顾客要求可进行阳极氧化处理,球墨铸铁法兰表面进行热镀锌处理。
耐污型及耐重污型瓷套的伞形采用了经人工污秽试验优选的大小伞相间的平伞形结构和伞下带棱的伞形结构,伞形设计完全符合lEC60815,由于小伞处于大伞的保护之下不易受污染,且大伞间间距较大,改善了伞间放电特性,提高了瓷套的耐污性能。有的瓷套还设计了带断水伞的结构。经污秽试验及长期运行,我公司生产的瓷套可适用于0.036~0.15 mg/cm2盐密条件下使用。


高压电器用空心瓷绝缘子
变压器套管
主要参数
额定电压 40.5~550 kV
爬电比距 25~31 mm/kV
内压破坏负荷 0.5~6.0 MPa
产品特点
为保证高压电器机械强度和热稳定性的要求,与之配套的瓷套具有较高的内压强度、抗弯强度和长期的运行可靠性,为此我们采用了氧化铝含量较高的高强瓷配方。为保证高压电器的密封要求,瓷套两端均进行高精度研磨加工。根据图纸及标准的要求,瓷套出厂前除进行外观尺寸、形位公差、超声波探伤检测外,还逐只进行内压试验和四向抗弯试验及电气试验等。
宣化电瓷生产的高压瓷绝缘子外形美观、釉色纯正、结构合理、抗冷热性能好、耐低温严寒性能强、抗地震性能好、机械强度高、耐污性能好、无线电干扰低、运行安全可靠。
适用范围、使用条件及分类
瓷套按所配套的高压电器不同,可分为电压互感器套管、电流互感器套管、电容器套管、变压器套管、断路器套管、氧化锌避雷器瓷套、电缆终端套管等。
高压电器瓷套适用于工频交直流系统额定电压为40.5~220kV的电站电器设备,高压瓷套是高压电器设备的关键配件,主要用作高压电器的支持、承压和绝缘。
瓷套安装地点海拔不超过1,000米;部分瓷套可用于海拔不超过4,000米的地区,环境温度在-40~+40℃。 瓷套按照高压电器的要求设计为污秽等级Ⅲ级、Ⅳ级水平。
结构特点
瓷套由瓷件与上下金属附件用水泥胶合剂胶装而成。瓷件表面上棕色釉,也可根据用户要求烧制成白色釉或灰色釉。 金属附件一般采用铸铝合金或球墨铸铁材质,铸铝合金法兰表面应顾客要求可进行阳极氧化处理,球墨铸铁法兰表面进行热镀锌处理。
耐污型及耐重污型瓷套的伞形采用了经人工污秽试验优选的大小伞相间的平伞形结构和伞下带棱的伞形结构,伞形设计完全符合lEC60815,由于小伞处于大伞的保护之下不易受污染,且大伞间间距较大,改善了伞间放电特性,提高了瓷套的耐污性能。有的瓷套还设计了带断水伞的结构。经污秽试验及长期运行,我公司生产的瓷套可适用于0.036~0.15 mg/cm2盐密条件下使用。



高压电器用空心瓷绝缘子
断路器套管
主要参数
额定电压 40.5~550 kV
爬电比距 25~31 mm/kV
内压破坏负荷 0.5~6.0 MPa
产品特点
为保证高压电器机械强度和热稳定性的要求,与之配套的瓷套具有较高的内压强度、抗弯强度和长期的运行可靠性,为此我们采用了氧化铝含量较高的高强瓷配方。为保证高压电器的密封要求,瓷套两端均进行高精度研磨加工。根据图纸及标准的要求,瓷套出厂前除进行外观尺寸、形位公差、超声波探伤检测外,还逐只进行内压试验和四向抗弯试验及电气试验等。
宣化电瓷生产的高压瓷绝缘子外形美观、釉色纯正、结构合理、抗冷热性能好、耐低温严寒性能强、抗地震性能好、机械强度高、耐污性能好、无线电干扰低、运行安全可靠。
适用范围、使用条件及分类
瓷套按所配套的高压电器不同,可分为电压互感器套管、电流互感器套管、电容器套管、变压器套管、断路器套管、氧化锌避雷器瓷套、电缆终端套管等。
高压电器瓷套适用于工频交直流系统额定电压为40.5~220kV的电站电器设备,高压瓷套是高压电器设备的关键配件,主要用作高压电器的支持、承压和绝缘。
瓷套安装地点海拔不超过1,000米;部分瓷套可用于海拔不超过4,000米的地区,环境温度在-40~+40℃。 瓷套按照高压电器的要求设计为污秽等级Ⅲ级、Ⅳ级水平。
结构特点
瓷套由瓷件与上下金属附件用水泥胶合剂胶装而成。瓷件表面上棕色釉,也可根据用户要求烧制成白色釉或灰色釉。 金属附件一般采用铸铝合金或球墨铸铁材质,铸铝合金法兰表面应顾客要求可进行阳极氧化处理,球墨铸铁法兰表面进行热镀锌处理。
耐污型及耐重污型瓷套的伞形采用了经人工污秽试验优选的大小伞相间的平伞形结构和伞下带棱的伞形结构,伞形设计完全符合lEC60815,由于小伞处于大伞的保护之下不易受污染,且大伞间间距较大,改善了伞间放电特性,提高了瓷套的耐污性能。有的瓷套还设计了带断水伞的结构。经污秽试验及长期运行,我公司生产的瓷套可适用于0.036~0.15 mg/cm2盐密条件下使用。


高压电器用空心瓷绝缘子
互感器瓷套
主要参数
额定电压 40.5~550 kV
爬电比距 25~31 mm/kV
内压破坏负荷 0.5~6.0 MPa
产品特点
为保证高压电器机械强度和热稳定性的要求,与之配套的瓷套具有较高的内压强度、抗弯强度和长期的运行可靠性,为此我们采用了氧化铝含量较高的高强瓷配方。为保证高压电器的密封要求,瓷套两端均进行高精度研磨加工。根据图纸及标准的要求,瓷套出厂前除进行外观尺寸、形位公差、超声波探伤检测外,还逐只进行内压试验和四向抗弯试验及电气试验等。
宣化电瓷生产的高压瓷绝缘子外形美观、釉色纯正、结构合理、抗冷热性能好、耐低温严寒性能强、抗地震性能好、机械强度高、耐污性能好、无线电干扰低、运行安全可靠。
适用范围、使用条件及分类
瓷套按所配套的高压电器不同,可分为电压互感器套管、电流互感器套管、电容器套管、变压器套管、断路器套管、氧化锌避雷器瓷套、电缆终端套管等。
高压电器瓷套适用于工频交直流系统额定电压为40.5~220kV的电站电器设备,高压瓷套是高压电器设备的关键配件,主要用作高压电器的支持、承压和绝缘。
瓷套安装地点海拔不超过1,000米;部分瓷套可用于海拔不超过4,000米的地区,环境温度在-40~+40℃。 瓷套按照高压电器的要求设计为污秽等级Ⅲ级、Ⅳ级水平。
结构特点
瓷套由瓷件与上下金属附件用水泥胶合剂胶装而成。瓷件表面上棕色釉,也可根据用户要求烧制成白色釉或灰色釉。 金属附件一般采用铸铝合金或球墨铸铁材质,铸铝合金法兰表面应顾客要求可进行阳极氧化处理,球墨铸铁法兰表面进行热镀锌处理。
耐污型及耐重污型瓷套的伞形采用了经人工污秽试验优选的大小伞相间的平伞形结构和伞下带棱的伞形结构,伞形设计完全符合lEC60815,由于小伞处于大伞的保护之下不易受污染,且大伞间间距较大,改善了伞间放电特性,提高了瓷套的耐污性能。有的瓷套还设计了带断水伞的结构。经污秽试验及长期运行,我公司生产的瓷套可适用于0.036~0.15 mg/cm2盐密条件下使用。




高压电器用空心瓷绝缘子
避雷器瓷套
主要参数
额定电压 40.5~550 kV
爬电比距 25~31 mm/kV
内压破坏负荷 0.5~6.0 MPa
产品特点
为保证高压电器机械强度和热稳定性的要求,与之配套的瓷套具有较高的内压强度、抗弯强度和长期的运行可靠性,为此我们采用了氧化铝含量较高的高强瓷配方。为保证高压电器的密封要求,瓷套两端均进行高精度研磨加工。根据图纸及标准的要求,瓷套出厂前除进行外观尺寸、形位公差、超声波探伤检测外,还逐只进行内压试验和四向抗弯试验及电气试验等。
宣化电瓷生产的高压瓷绝缘子外形美观、釉色纯正、结构合理、抗冷热性能好、耐低温严寒性能强、抗地震性能好、机械强度高、耐污性能好、无线电干扰低、运行安全可靠。
适用范围、使用条件及分类
瓷套按所配套的高压电器不同,可分为电压互感器套管、电流互感器套管、电容器套管、变压器套管、断路器套管、氧化锌避雷器瓷套、电缆终端套管等。
高压电器瓷套适用于工频交直流系统额定电压为40.5~220kV的电站电器设备,高压瓷套是高压电器设备的关键配件,主要用作高压电器的支持、承压和绝缘。
瓷套安装地点海拔不超过1,000米;部分瓷套可用于海拔不超过4,000米的地区,环境温度在-40~+40℃。 瓷套按照高压电器的要求设计为污秽等级Ⅲ级、Ⅳ级水平。
结构特点
瓷套由瓷件与上下金属附件用水泥胶合剂胶装而成。瓷件表面上棕色釉,也可根据用户要求烧制成白色釉或灰色釉。 金属附件一般采用铸铝合金或球墨铸铁材质,铸铝合金法兰表面应顾客要求可进行阳极氧化处理,球墨铸铁法兰表面进行热镀锌处理。
耐污型及耐重污型瓷套的伞形采用了经人工污秽试验优选的大小伞相间的平伞形结构和伞下带棱的伞形结构,伞形设计完全符合lEC60815,由于小伞处于大伞的保护之下不易受污染,且大伞间间距较大,改善了伞间放电特性,提高了瓷套的耐污性能。有的瓷套还设计了带断水伞的结构。经污秽试验及长期运行,我公司生产的瓷套可适用于0.036~0.15 mg/cm2盐密条件下使用。


高压电器用空心瓷绝缘子
变压器套管
主要参数
额定电压 40.5~550 kV
爬电比距 25~31 mm/kV
内压破坏负荷 0.5~6.0 MPa
产品特点
为保证高压电器机械强度和热稳定性的要求,与之配套的瓷套具有较高的内压强度、抗弯强度和长期的运行可靠性,为此我们采用了氧化铝含量较高的高强瓷配方。为保证高压电器的密封要求,瓷套两端均进行高精度研磨加工。根据图纸及标准的要求,瓷套出厂前除进行外观尺寸、形位公差、超声波探伤检测外,还逐只进行内压试验和四向抗弯试验及电气试验等。
宣化电瓷生产的高压瓷绝缘子外形美观、釉色纯正、结构合理、抗冷热性能好、耐低温严寒性能强、抗地震性能好、机械强度高、耐污性能好、无线电干扰低、运行安全可靠。
适用范围、使用条件及分类
瓷套按所配套的高压电器不同,可分为电压互感器套管、电流互感器套管、电容器套管、变压器套管、断路器套管、氧化锌避雷器瓷套、电缆终端套管等。
高压电器瓷套适用于工频交直流系统额定电压为40.5~220kV的电站电器设备,高压瓷套是高压电器设备的关键配件,主要用作高压电器的支持、承压和绝缘。
瓷套安装地点海拔不超过1,000米;部分瓷套可用于海拔不超过4,000米的地区,环境温度在-40~+40℃。 瓷套按照高压电器的要求设计为污秽等级Ⅲ级、Ⅳ级水平。
结构特点
瓷套由瓷件与上下金属附件用水泥胶合剂胶装而成。瓷件表面上棕色釉,也可根据用户要求烧制成白色釉或灰色釉。 金属附件一般采用铸铝合金或球墨铸铁材质,铸铝合金法兰表面应顾客要求可进行阳极氧化处理,球墨铸铁法兰表面进行热镀锌处理。
耐污型及耐重污型瓷套的伞形采用了经人工污秽试验优选的大小伞相间的平伞形结构和伞下带棱的伞形结构,伞形设计完全符合lEC60815,由于小伞处于大伞的保护之下不易受污染,且大伞间间距较大,改善了伞间放电特性,提高了瓷套的耐污性能。有的瓷套还设计了带断水伞的结构。经污秽试验及长期运行,我公司生产的瓷套可适用于0.036~0.15 mg/cm2盐密条件下使用。



高压电器用空心瓷绝缘子
断路器套管
主要参数
额定电压 40.5~550 kV
爬电比距 25~31 mm/kV
内压破坏负荷 0.5~6.0 MPa
产品特点
为保证高压电器机械强度和热稳定性的要求,与之配套的瓷套具有较高的内压强度、抗弯强度和长期的运行可靠性,为此我们采用了氧化铝含量较高的高强瓷配方。为保证高压电器的密封要求,瓷套两端均进行高精度研磨加工。根据图纸及标准的要求,瓷套出厂前除进行外观尺寸、形位公差、超声波探伤检测外,还逐只进行内压试验和四向抗弯试验及电气试验等。
宣化电瓷生产的高压瓷绝缘子外形美观、釉色纯正、结构合理、抗冷热性能好、耐低温严寒性能强、抗地震性能好、机械强度高、耐污性能好、无线电干扰低、运行安全可靠。
适用范围、使用条件及分类
瓷套按所配套的高压电器不同,可分为电压互感器套管、电流互感器套管、电容器套管、变压器套管、断路器套管、氧化锌避雷器瓷套、电缆终端套管等。
高压电器瓷套适用于工频交直流系统额定电压为40.5~220kV的电站电器设备,高压瓷套是高压电器设备的关键配件,主要用作高压电器的支持、承压和绝缘。
瓷套安装地点海拔不超过1,000米;部分瓷套可用于海拔不超过4,000米的地区,环境温度在-40~+40℃。 瓷套按照高压电器的要求设计为污秽等级Ⅲ级、Ⅳ级水平。
结构特点
瓷套由瓷件与上下金属附件用水泥胶合剂胶装而成。瓷件表面上棕色釉,也可根据用户要求烧制成白色釉或灰色釉。 金属附件一般采用铸铝合金或球墨铸铁材质,铸铝合金法兰表面应顾客要求可进行阳极氧化处理,球墨铸铁法兰表面进行热镀锌处理。
耐污型及耐重污型瓷套的伞形采用了经人工污秽试验优选的大小伞相间的平伞形结构和伞下带棱的伞形结构,伞形设计完全符合lEC60815,由于小伞处于大伞的保护之下不易受污染,且大伞间间距较大,改善了伞间放电特性,提高了瓷套的耐污性能。有的瓷套还设计了带断水伞的结构。经污秽试验及长期运行,我公司生产的瓷套可适用于0.036~0.15 mg/cm2盐密条件下使用。


