产品详情
ZW8-12系列真空断路器
- 厂家信息
- 产品信息
- 规格参数
- 技术文档
浙江金为电力设备有限公司,是一家以智能电网配网设备研发、生产、销售及智能运维、电力工程设计及技术服务为一体的多元化现代企业。
响应国家碳中和碳排放的号召,主要产品包括:电力储能电站及配套设备,智能柱上断路器、数字化环网柜、熔断器开关、电力金具、电缆附件、铸铁箱球体、球墨铸造等,广泛应用于电力,建筑,能源,工业,交通等领域,是国家电网、南方电网以及石油、化工、钢铁、煤矿、交通等用户企业的可靠的合作伙伴。
公司本着:“精诚所至,金石为开”的创业宗旨。坚持以科技研发及自主创新为发展动力,逐步形成完善的技术服务体系,在北京、天津、山东、安徽、河南、湖南、上海、江西、云南等多地设立办事处,业务及服务辐射国内及全球。始终以成为国内卓越的供电服务商为愿景,让电网更安全,更可靠,更智慧。
产品图片
ZW8-12系列真空断路器
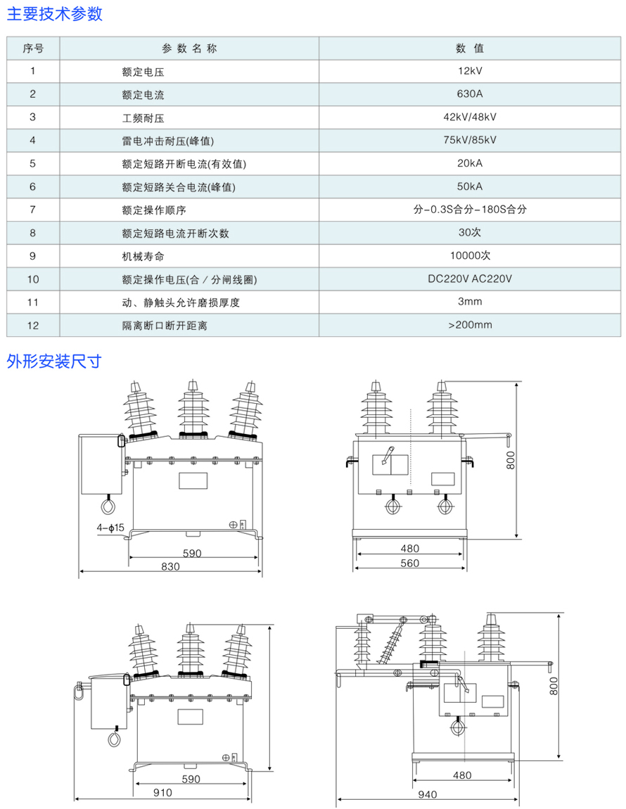
ZW8-12/630-20户外高压真空断路器采用真空灭弧窒,空气绝缘,配以电动弹簧操作机构,使得产品灭弧能力强,短路开断次数高,无火灾爆炸危险,操作方便是一种性能优良,实用性较强的产品。
ZW8-12/630-20户外高压真空断路器产品总体结构采用三相共箱式,套管进出线,箱体内为干燥空气,电动弹簧操动机构布置在箱体的侧面,可在较严酷的环境条件下可靠使用。
ZW8-12/630-20户外高压真空断路器产品真空灭弧室采用陶瓷外壳,杯状纵磁场触头结构,铜铬触头材料,具有优良的开断和关合短路电流能力。
该产品体积小、重量轻、外型美观。真空灭弧室和绝缘支持套管设计紧凑,出线导电杆外注硅橡胶,能适应恶劣的气候条件和污秽环境。








